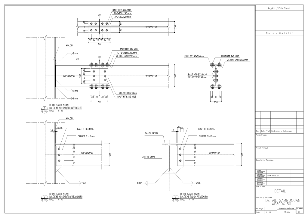
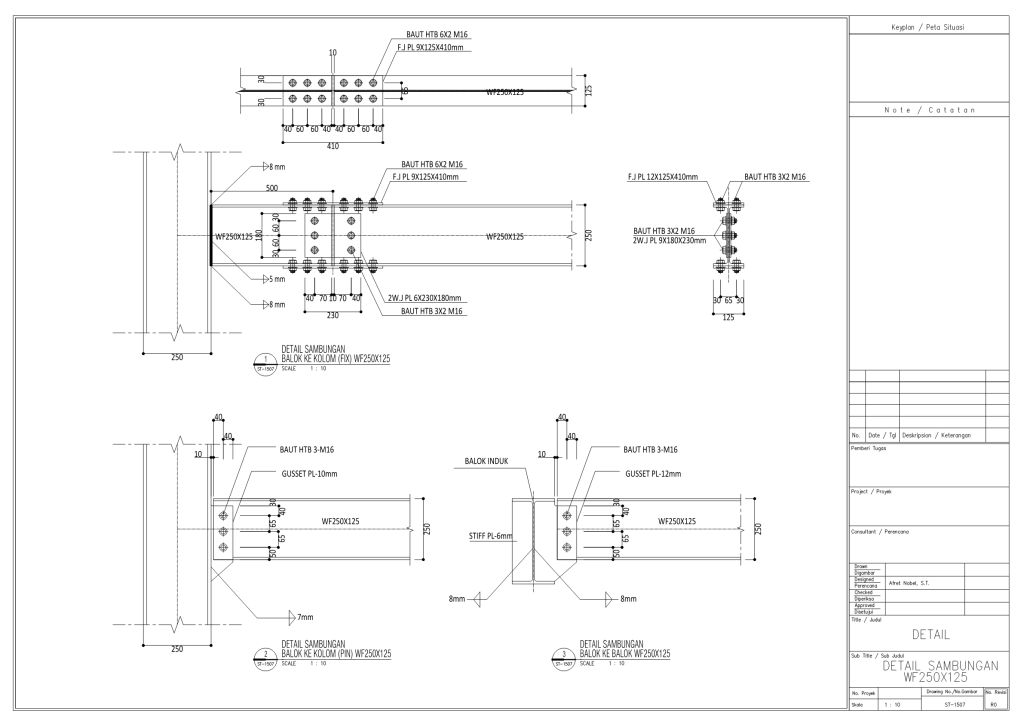
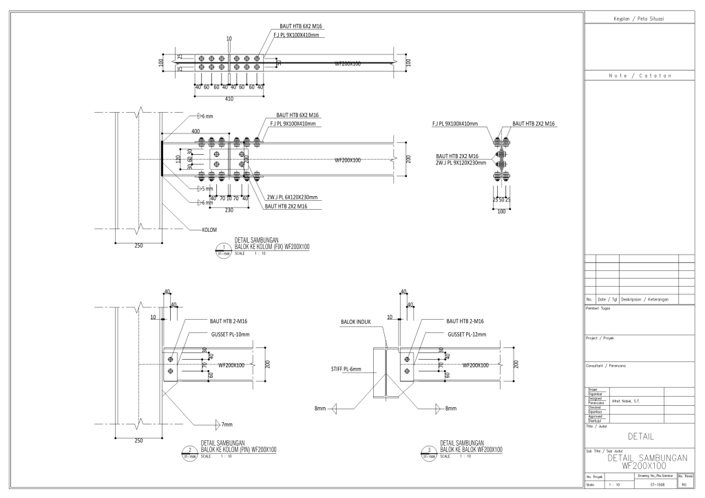
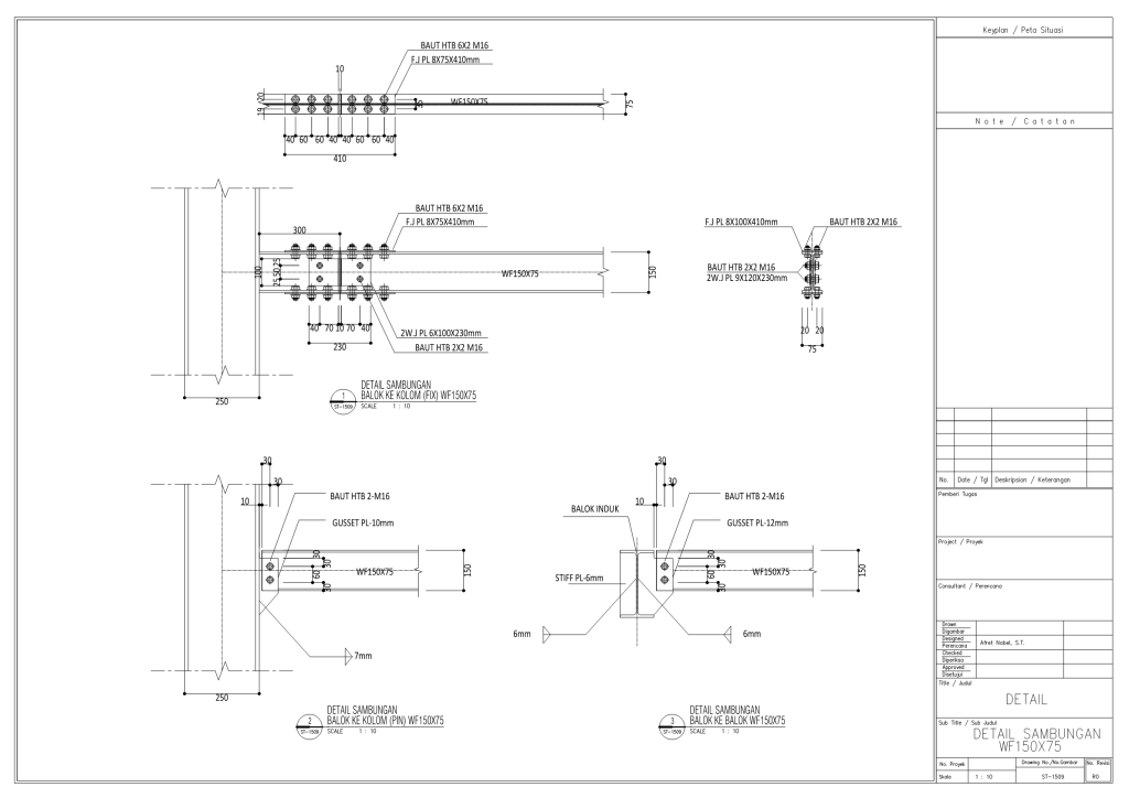
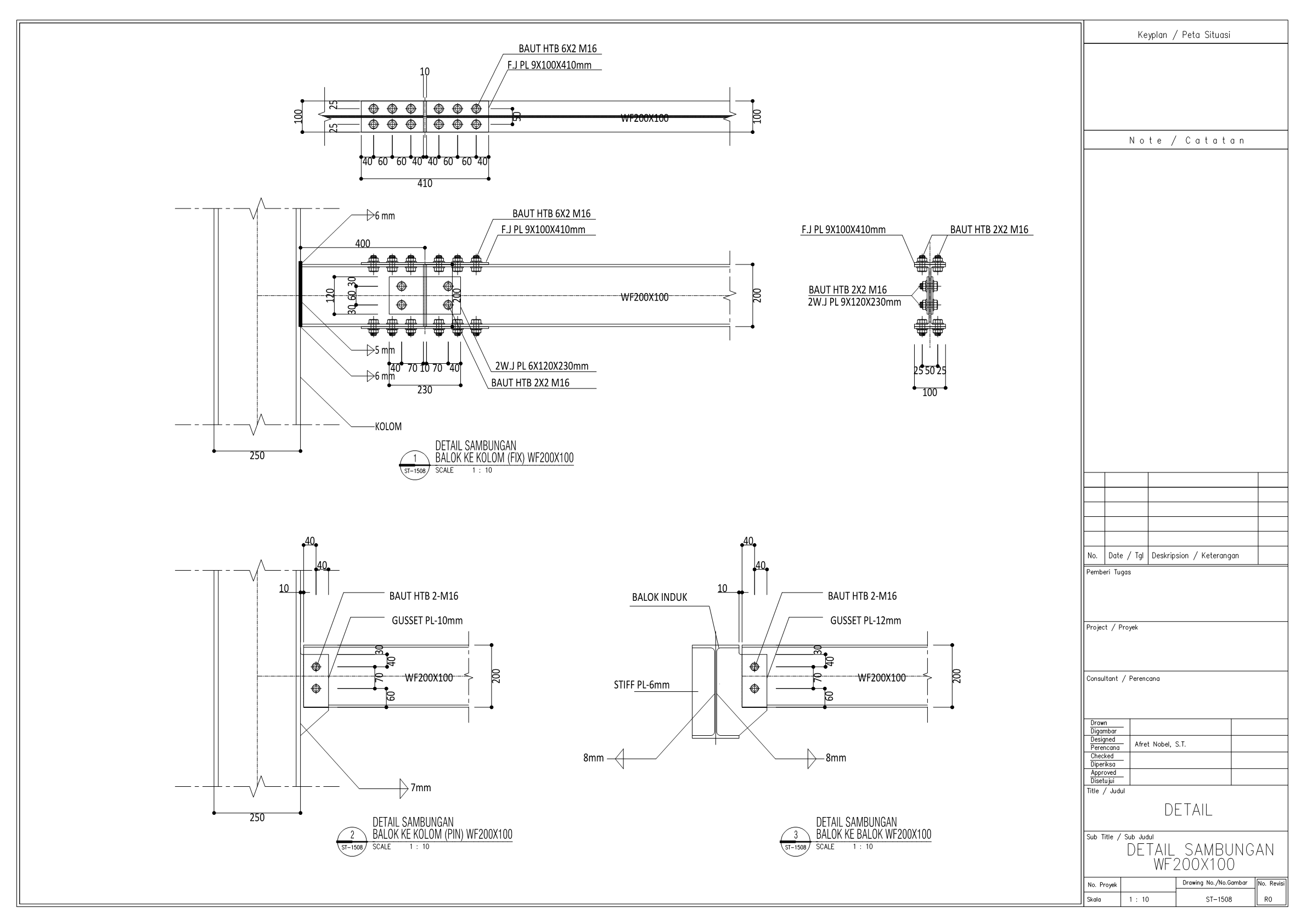
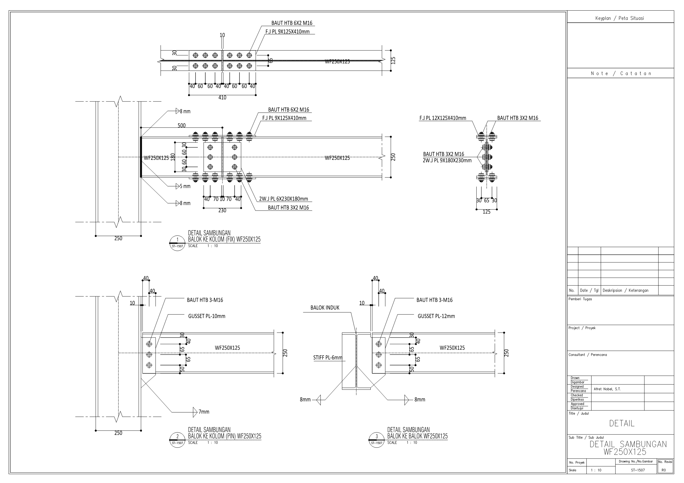
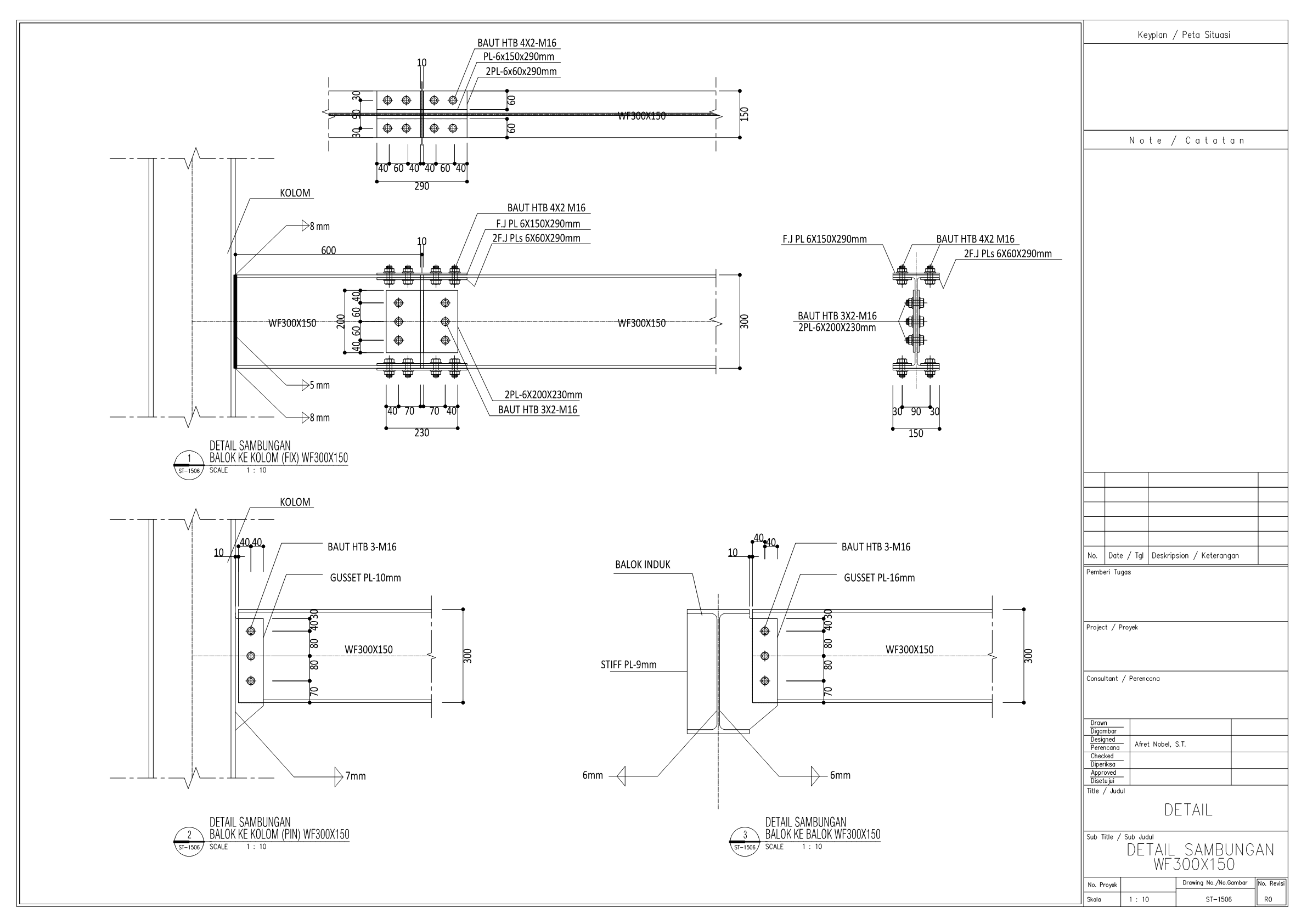
Detail sambungan baja iwf banyak jenisnya. Di contoh ini adalah detail sambungan baja jepit (fix) tanpa haunch dan detail sambungan pin (sendi).
Detail sambungan baja yang ditampilkan adalah untuk baja IWF300x150, IWF250x125, IWF200x100, dan IWF150x75.
Bagian joint dengan kolom merupakah bonggol terpisah dengan panjang lengan yaitu 2 x ketinggian profilnya. Misal untuk profil IWF300x150, maka panjang lengannya adalah 60 cm. Untuk pengelasan lengan ke kolom dilakukan di workshop.
Baut menggunakan diameter 16 mm. Dan sambungan las sesuai dengan ketebalan pelat pada bagian yang disambung.
Untuk mendownload gambar dalam format pdf silakan klik disini
Disclaimer: Setiap bangunan itu unik, kami tidak bertanggungjawab atas penggunaan gambar ini untuk konstruksi bangunan Anda. Silakan konsultasikan ke ahlinya.






